Tech Topics: Tips Simplify Water Well Pump Control Circuits Setup
In the simplest pump circuits, the control circuit and power circuit are one and the same. (See Figure 1). This schematic shows a single-phase, two-wire pump system with L1 and L2 coming in on the left, a switch which could be a pressure switch, a float switch, a timer or simply an on/off switch, and the two-wire motor.
Figure 2 shows a similar schematic with a separate control circuit, as would be required if the control device contacts were not rated for the horsepower of the pump, such as with certain pump protection devices and liquid level controls. Any time you have an application where it is not possible or not advisable to run the motor power directly through the control devices, a separate control circuit is required. Usually, the reason is that one or more of the control devices cannot handle the motor circuit voltage.
Say you have a system as depicted in Figure 2 and wish to add a pump protection device like a low-level cut-off or electronic dry well protector. Simply add the protection device in series with the pressure switch as shown in Figure 3.
All of the previous schematics depict two-wire applications. This means that the motor’s start capacitor is built into the motor, as with jet pumps, centrifugals and two-wire submersibles. If you have a three-wire pump, simply install a properly sized control box between the pressure switch and motor, as shown in Figure 4. In this example, the control device is in the power circuit. If your three-wire application requires a separate control circuit, as in Figures 2 and 3, simply insert the control box between the relay and the motor.
The control circuit voltage is regulated by the specifications of the control devices by code, and sometimes by economics. The groundwater industry is one of the only industries where you’ll see 460 volts running through a pressure switch. Figure 5 depicts such a three-phase circuit. This approach is used simply because it is cheaper than using a transformer to drop the voltage in the control circuit. If you are running 460 volts to the pressure switch, make sure the pressure switch is rated for 460 volts. Even more important is the liability of having 460 volts running from the control panel to the pressure switch. Be sure that you run the pressure switch wiring in conduit.
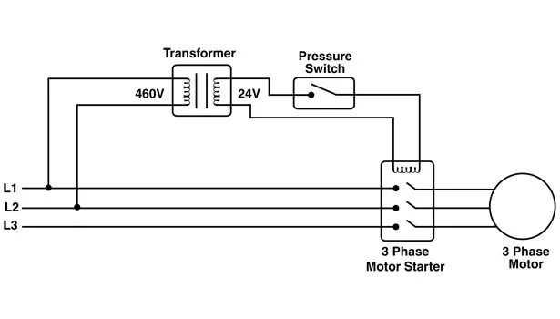
Figure 6 shows the same three-phase, 460 volt circuit with a transformer added to drop the control voltage to anything from 24 volts to 230 volts, which any pressure switch will handle.
Please note that, for simplicity’s sake, the required ground wire is not shown in any of these schematics. Code requires that all devices and enclosures in a pump circuit be grounded.
I hope this helps give you a better understanding of pump control circuits. If you have a topic you’d like to see discussed, send me an email to bobpelikan@comcast.net. Until next month …
For more Tech Topics columns, visit www.thedriller.com/techtopics. Contact bobpelikan@comcast.net to request a copy of The Pump Book, a compilation of his columns for reference or training available for only $20.
Many of the ideas for my column are inspired by questions I get from readers and friends in the industry. A few weeks ago, someone asked how to wire in a pressure switch with a pump protection device that required a control relay. The pump protector’s internal relay was rated at 10 amps, sufficient for a 1 horsepower, 230 volt pump but not enough to handle his 3 horsepower pump motor directly, so an additional relay was called for. This brought to mind the whole topic of control circuits verses power circuits, which can be confusing if you don’t deal with electrical circuits on a regular
basis.
In the simplest pump circuits, the control circuit and power circuit are one and the same. (See Figure 1). This schematic shows a single-phase, two-wire pump system with L1 and L2 coming in on the left, a switch which could be a pressure switch, a float switch, a timer or simply an on/off switch, and the two-wire
motor.
Figure 2 shows a similar schematic with a separate control circuit, as would be required if the control device contacts were not rated for the horsepower of the pump, such as with certain pump protection devices and liquid level controls. Any time you have an application where it is not possible or not advisable to run the motor power directly through the control devices, a separate control circuit is required. Usually, the reason is that one or more of the control devices cannot handle the motor circuit voltage.
Say you have a system as depicted in Figure 2 and wish to add a pump protection device like a low-level cut-off or electronic dry well protector. Simply add the protection device in series with the pressure switch as shown in Figure 3.
All of the previous schematics depict two-wire applications. This means that the motor’s start capacitor is built into the motor, as with jet pumps, centrifugals and two-wire submersibles. If you have a three-wire pump, simply install a properly sized control box between the pressure switch and motor, as shown in Figure 4. In this example, the control device is in the power circuit. If your three-wire application requires a separate control circuit, as in Figures 2 and 3, simply insert the control box between the relay and the
motor.
The control circuit voltage is regulated by the specifications of the control devices by code, and sometimes by economics. The groundwater industry is one of the only industries where you’ll see 460 volts running through a pressure switch. Figure 5 depicts such a three-phase circuit. This approach is used simply because it is cheaper than using a transformer to drop the voltage in the control circuit. If you are running 460 volts to the pressure switch, make sure the pressure switch is rated for 460 volts. Even more important is the liability of having 460 volts running from the control panel to the pressure switch. Be sure that you run the pressure switch wiring in
conduit.
Figure 6 shows the same three-phase, 460 volt circuit with a transformer added to drop the control voltage to anything from 24 volts to 230 volts, which any pressure switch will handle.
Please note that, for simplicity’s sake, the required ground wire is not shown in any of these schematics. Code requires that all devices and enclosures in a pump circuit be grounded.
I hope this helps give you a better understanding of pump control circuits. If you have a topic you’d like to see discussed, send me an email to bobpelikan@comcast.net. Until next month … ND
For more Tech Topics columns, visit www.thedriller.com/techtopics. Contact bobpelikan@comcast.net to request a copy of The Pump Book, a compilation of his columns for reference or training available for only $20.
Looking for a reprint of this article?
From high-res PDFs to custom plaques, order your copy today!


